中空轴电机

 

86空心步进电机

所属分类
中空轴电机

机身长度:65-114

保持力矩:3.0-8.0 N.M

额定电流:5.0A

电 阻:0.4-0.79

额定电压:3.0-4.74

技术参数
命名规则
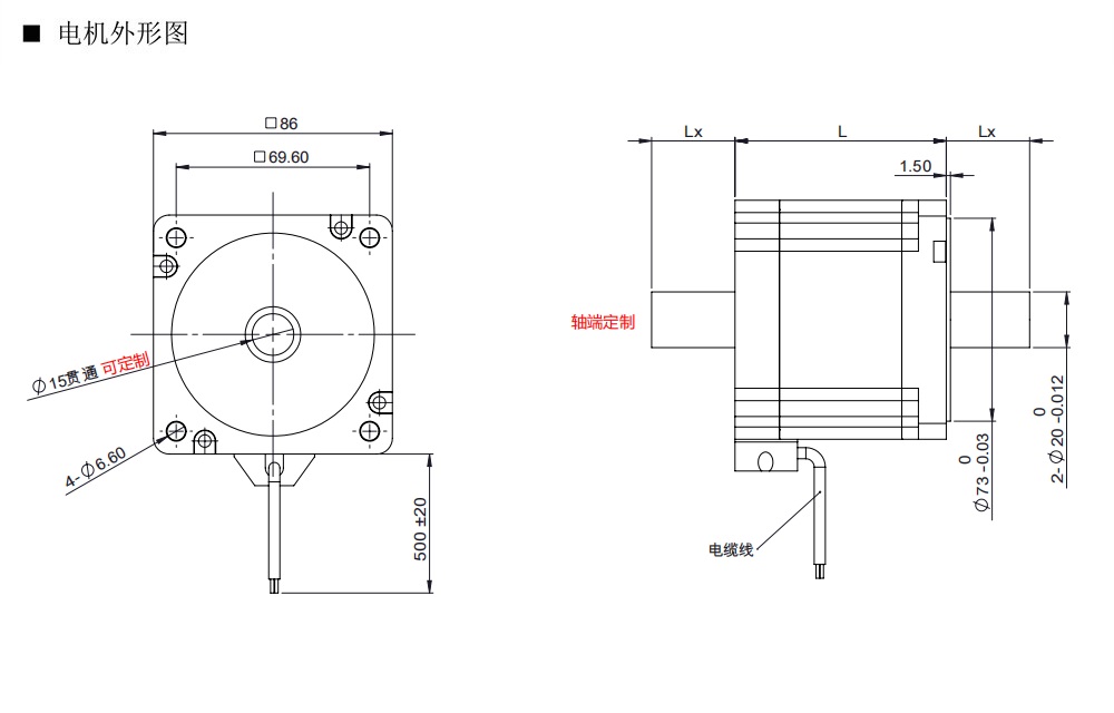
尺寸说明
矩频曲线
资料下载

168138650352f409

16813865079d0483

95f981d7056d35feedb8830c589f9020[1]

下一个

更多产品

在线客服
客服热线
0769-8328 8820 0769-8328 8820
服务时间:
8:30 - 18:00
技术支持
分类
新闻资讯
分类
关于惠鼎
分类
  • img
  • img
  • img