刹车固定轴电机

 

86刹车固定轴电机

机身长度:34-47mm

保持力矩:0.14-0.35 N.M

额定电流:0.5-1.5A

电 阻:0.95-1.7

额定电压:1.4-4.5V

技术参数
命名规则
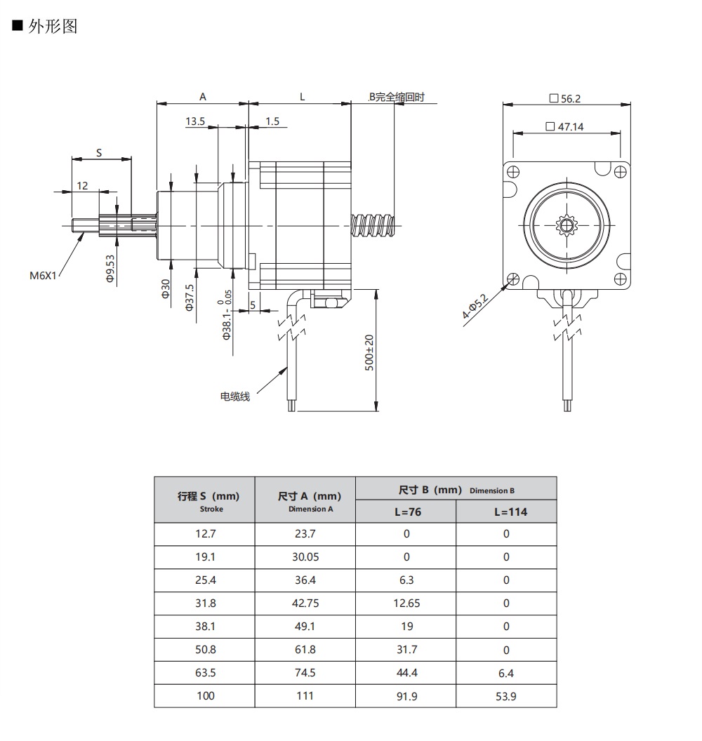
尺寸说明
矩频曲线
资料下载

1681212547e240e9

168138455116e408

1681212564b5072b

更多产品

在线客服
客服热线
0769-8328 8820 0769-8328 8820
服务时间:
8:30 - 18:00
技术支持
分类
新闻资讯
分类
关于惠鼎
分类
  • img
  • img
  • img