贯穿丝杆步进电机

 

技术参数
命名规则
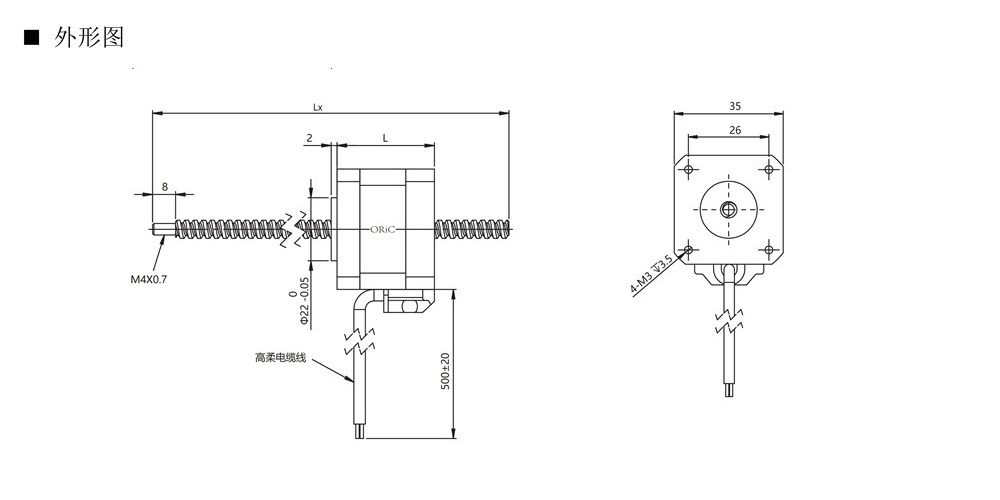
尺寸说明
矩频曲线
资料下载

168121156578f251

16835498943900b1

1681211582b5c4eb

更多产品

在线客服
客服热线
0769-8328 8820 0769-8328 8820
服务时间:
8:30 - 18:00
技术支持
分类
新闻资讯
分类
关于惠鼎
分类
  • img
  • img
  • img